Product Summary
The ER506 is a superfast recovery rectifier.
Parametrics
ER504 absolute maximum ratings: (1)Maximum Recurrent Peak Reverse Voltage: 600 V;(2)Maximum RMS Voltage: 420V; (3)Maximum DC Blocking Voltage: 600V;(4)Maximum Average Forward Current .375" (9.5mm)lead length at TA =55O℃: 5.0 A; (5)Peak Forward Surge Current:8.3ms single half-sine-wave supe-rim posed on rated load(JEDEC method): 150 A;(6)Maximum Forward Voltage at 5.0A: 1.7V;(7)Maximum DC Reverse Current TA =125℃: 5.0 uA; (8)Maximum Reverse Recovery Time: 35 ns; (9)Typical Junction capacitance: 45 pF;(10)Typical Junction Resistance: 25 ℃/W;(12)Operating and Storage Temperature Range: -55 to +150 ℃.
Features
ER506 features: (1)Superfast recovery times-epitaxial construction; (2)Low forward voltage, high current capability; (3)Exceeds environmental standards of MIL-S-19500/228; (4)Hermetically sealed; (5)Low leakage; (6)High surge capability; (7)Plastic package has Underwriters Laboratories.
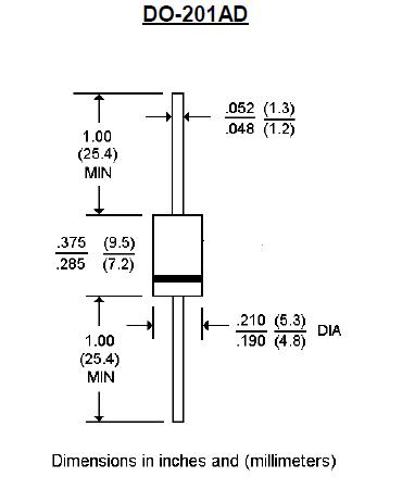
Diagrams

| Image | Part No | Mfg | Description | ![]() |
Pricing (USD) |
Quantity | ||||
|---|---|---|---|---|---|---|---|---|---|---|
![]() |
![]() ER506 |
![]() Other |
![]() |
![]() Data Sheet |
![]() Negotiable |
|
||||
| Image | Part No | Mfg | Description | ![]() |
Pricing (USD) |
Quantity | ||||
![]() |
![]() ER500 |
![]() Other |
![]() |
![]() Data Sheet |
![]() Negotiable |
|
||||
![]() |
![]() ER501 |
![]() Other |
![]() |
![]() Data Sheet |
![]() Negotiable |
|
||||
![]() |
![]() ER501A |
![]() Other |
![]() |
![]() Data Sheet |
![]() Negotiable |
|
||||
![]() |
![]() ER502 |
![]() Other |
![]() |
![]() Data Sheet |
![]() Negotiable |
|
||||
![]() |
![]() ER503 |
![]() Other |
![]() |
![]() Data Sheet |
![]() Negotiable |
|
||||
![]() |
![]() ER504 |
![]() Other |
![]() |
![]() Data Sheet |
![]() Negotiable |
|
||||
(China (Mainland))









