Product Summary
The GS1M is a surface mount rectifier.
Parametrics
GS1M absolute maximum ratings: (1)Maximum Recurrent Peak Reverse Voltage: 1000V; (2)Maximum RMS Voltage: 700V; (3)Maximum DC Blocking Voltage: 100V; (4)Maximum Average Forward Rectified Current, at TL=75℃: 1A; (5)Peak Forward Surge Current 8.3ms single half sine wave superimposed on rated load (JEDEC method): 30A; (6)Maximum Instantaneous Forward Voltage at 1.0A: 1.1V; (7)Maximum DC Reverse Current TA=25℃: 5μA; (8)at Rated DC Blocking Voltage TA=125℃: 50μA; (9)Maximum Reverse Recovery Time(Note 1) TJ=25℃: 2.5μs; (10)Typical Junction Capacitance (Note 2): 12pF; (11)Maximum Thermal Resistance(Note 3) RθJA: 30℃/W; (12)Operating and Storage Temperature Range: -55 to 150℃.
Features
GS1M features: (1)For surface mounted applications; (2)Low profile package; (3)Built-in strain relief; (4)Easy pick and place; (5)Plastic package has Underwriters Laboratory Flammability Classification 94V-O; (6)Glass passivated chip junction; (7)High temperature soldering : 260℃/10 seconds at terminals.
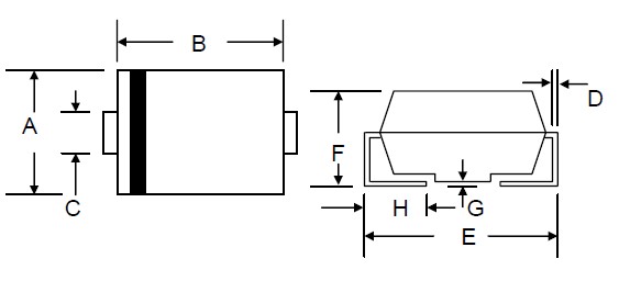
Diagrams

| Image | Part No | Mfg | Description | ![]() |
Pricing (USD) |
Quantity | ||||||||||||||||||||
|---|---|---|---|---|---|---|---|---|---|---|---|---|---|---|---|---|---|---|---|---|---|---|---|---|---|---|
![]() |
![]() GS1M-LTP |
![]() Micro Commercial Components (MCC) |
![]() Rectifiers 1000V,1A |
![]() Data Sheet |
![]()
|
|
||||||||||||||||||||
![]() |
![]() GS1M-TP |
![]() Micro Commercial Components (MCC) |
![]() Rectifiers 1000V 1A |
![]() Data Sheet |
![]()
|
|
||||||||||||||||||||
![]() |
![]() GS1MW |
![]() Other |
![]() |
![]() Data Sheet |
![]() Negotiable |
|
||||||||||||||||||||
![]() |
![]() GS1M-T |
![]() Micro Commercial Components (MCC) |
![]() Rectifiers 1000V 1A |
![]() Data Sheet |
![]() Negotiable |
|
||||||||||||||||||||
![]() |
![]() GS1ME-TP |
![]() |
![]() IC RECT GPP 1A 1000V SMAE |
![]() Data Sheet |
![]()
|
|
||||||||||||||||||||
![]() |
![]() GS1M |
![]() |
![]() RECTIFIER 1000V 1AMP SMD SMA |
![]() Data Sheet |
![]() Negotiable |
|
||||||||||||||||||||
(China (Mainland))











