Product Summary
The US1D is a surface mount ultrafast rectifier.
Parametrics
US1D absolute maximum ratings: (1)Maximum Recurrent Peak Reverse Voltage VRRM: 200V; (2)Maximum RMS Voltage VRMS: 140V; (3)Maximum DC Blocking Voltage VDC: 200V; (4)Maximum Average Forward Rectified Current, at TL=100℃ I(AV): 1.0 Amps; (5)Peak Forward Surge Current 8.3ms single half sinewave superimposed on rated load(JEDEC method) TA=55℃ IFSM: 30.0 Amps; (6)Maximum Instantaneous Forward Voltage at 1.0A: 1V; (7)Maximum DC Reverse Current TA=25℃: 10A; (8)At Rated DC Blocking Voltage TA=100℃: 100A; (9)Maximum Reverse Recovery Time (Note 1) TJ=25℃ TRR: 50ns; (10)Typical Junction capacitance (Note 2) CJ: 17 PF; (11)Maximum Thermal Resistance: 30℃/W; (12)Operating and Storage Temperature Range: -50 to 150℃.
Features
US1D features: (1)For surface mounted applications; (2)Low profile package; (3)Built-in strain relief; (4)Easy pick and place; (5)Ultrafast recovery times for high efficiency; (6)Plastic package has Underwriters Laboratory Flammability Classification 94V-O; (7)Glass passivated junction.
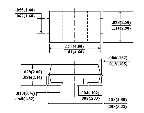
Diagrams

| Image | Part No | Mfg | Description | ![]() |
Pricing (USD) |
Quantity | ||||||
|---|---|---|---|---|---|---|---|---|---|---|---|---|
![]() |
![]() US1D |
![]() Taiwan Semiconductor |
![]() TVS Diodes - Transient Voltage Suppressors 1500W 20V 5% UNI TRANSZORB-TVS |
![]() Data Sheet |
![]()
|
|
||||||
![]() |
![]() US1D/1 |
![]() |
![]() DIODE FAST 1A 200V SMA |
![]() Data Sheet |
![]()
|
|
||||||
![]() |
![]() US1D/11T |
![]() Vishay Semiconductors |
![]() Rectifiers 1.0 Amp 200 Volt |
![]() Data Sheet |
![]() Negotiable |
|
||||||
![]() |
![]() US1D/13T |
![]() Vishay Semiconductors |
![]() Rectifiers 200 Volt 1.0A 50ns 30 Amp IFSM |
![]() Data Sheet |
![]() Negotiable |
|
||||||
![]() |
![]() US1D/2FT |
![]() Vishay Semiconductors |
![]() Rectifiers 200 Volt 1.0A 50ns 30 Amp IFSM |
![]() Data Sheet |
![]() Negotiable |
|
||||||
![]() |
![]() US1D/2GT |
![]() Vishay Semiconductors |
![]() Rectifiers 200 Volt 1.0A 50ns 30 Amp IFSM |
![]() Data Sheet |
![]() Negotiable |
|
||||||
![]() |
![]() US1D/5AT |
![]() Vishay Semiconductors |
![]() Rectifiers 200 Volt 1.0A 50ns 30 Amp IFSM |
![]() Data Sheet |
![]() Negotiable |
|
||||||
![]() |
![]() US1D/61T |
![]() Vishay Semiconductors |
![]() Rectifiers 200 Volt 1.0A 50ns 30 Amp IFSM |
![]() Data Sheet |
![]() Negotiable |
|
||||||
(China (Mainland))










