Product Summary
The SK24 is a surface mount schottky barrier rectifier.
Parametrics
SK24 absolute maximum ratings: (1)Maximum Recurrent Peak Reverse Voltaqe : 40 V; (2)Maximum RMS Voltaqe : 28 V; (3)Maximum DC Blockinq Voltaoe : 40 V; (4)Maximum Average Forward Rectified Current at TI (See Fiqure 1) : 2.0 A; (5)Peak Forward Surge Current 8.3ms single half sine-wave superimposed on rated 10ad(JEDEC method) : 50.0 A; (6Maximum Instantaneous Forward Voltage at 2.0A (Note 1) : 0.50 V; (7)Maximum DC Reverse Current TA=25℃(Note 1) : 0.5 mA; (8)At Rated DC Blocking Voltage TA=100℃ : 20.0mA; (9)Maximum Thermal Resistance (Note 2) : 17 ℃/W; (10)Operating Junction Temperature Range : -50 to +125℃; (15)Storage Temperature Range : -50 to +150℃.
Features
SK24 features: (1)Plastic package has Underwriters Laboratory; (2)Flammab ity Classification 94V-O; (3)For surface mounted applications; (4)Low profile package; (5)But-in strain relief; (6)Metal to sicon rectifier; (7)majority carrier conduction; (8)Low power loss, High efficiency; (9)High current capab ity, low VF; (10)High surge capacity; (11)For use in low voltage high frequency inverters,free wheeling, and polarity protection app cations; (12)High temperature soldering guaranteed : 260℃/10 seconds at terminals.
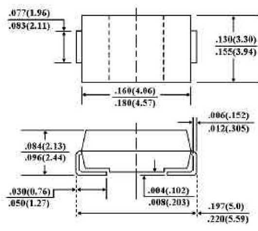
Diagrams

| Image | Part No | Mfg | Description | ![]() |
Pricing (USD) |
Quantity | ||||||||||||||||||||
|---|---|---|---|---|---|---|---|---|---|---|---|---|---|---|---|---|---|---|---|---|---|---|---|---|---|---|
![]() |
![]() SK24 |
![]() Other |
![]() |
![]() Data Sheet |
![]() Negotiable |
|
||||||||||||||||||||
![]() |
![]() SK246CD6+U732+U1202 |
![]() Apem |
![]() Rocker Switches & Paddle Switches Mini Rocker Switch Sealed |
![]() Data Sheet |
![]()
|
|
||||||||||||||||||||
![]() |
![]() SK24A |
![]() Taiwan Semiconductor |
![]() Schottky (Diodes & Rectifiers) 2.0 Amp 40 Volt 50 Amp IFSM |
![]() Data Sheet |
![]()
|
|
||||||||||||||||||||
![]() |
![]() SK24DG13 |
![]() |
![]() SWITCH KEYLOCK DP3T .4VA STR PC |
![]() Data Sheet |
![]()
|
|
||||||||||||||||||||
![]() |
![]() SK24DG13-RO |
![]() NKK Switches |
![]() Keylock Switches DP3T ON-ON-ON 0.4VA |
![]() Data Sheet |
![]()
|
|
||||||||||||||||||||
![]() |
![]() SK24DG30 |
![]() |
![]() SWITCH KEYLOCK DPDT GOLD R/A PC |
![]() Data Sheet |
![]()
|
|
||||||||||||||||||||
![]() |
![]() SK24DG30-RO |
![]() NKK Switches |
![]() Keylock Switches ON-ON-ON 3 POSITION KEY REMOVABLE RA PC |
![]() Data Sheet |
![]()
|
|
||||||||||||||||||||
![]() |
![]() SK24EG13 |
![]() |
![]() SWITCH KEYLOCK DP3T .4VA STR PC |
![]() Data Sheet |
![]()
|
|
||||||||||||||||||||
(China (Mainland))














