Product Summary
The BCR185WE6327 is a PNP Silicon Digital Transistor.
Parametrics
BCR185WE6327 absolute maximum ratings: (1)Collector-emitter voltage VCEO: 50V; (2)Collector-base voltage VCBO: 50V; (3)Emitter-base voltage VEBO: 6V; (4)Input on voltage Vi(on): 20V; (5)Collector current IC: 100mA; (6)Total power dissipation:250mW ; (7)Junction temperature Tj: 150℃; (8)Storage temperature Tstg: -65 to 150℃.
Features
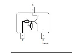
BCR185WE6327 features: (1)Switching circuit, inverter, interface circuit, driver circuit; (2)Built in bias resistor (R1 = 10kΩ, R2 = 47kΩ); (3)For 6-PIN packages: two (galvanic) internal isolated transistors with good matching in one package.
Diagrams

![]() |
![]() BCR10001FMAHWS |
![]() |
![]() RES 10K OHM 1/4W 1% BACK-C CHIP |
![]() Data Sheet |
![]()
|
|
||||||
![]() |
![]() BCR10001FMAHWT |
![]() |
![]() RES 10K OHM 1/4W 1% BACK-C CHIP |
![]() Data Sheet |
![]()
|
|
||||||
![]() |
![]() BCR1000BFMAHWS |
![]() |
![]() RES 10 OHM 1/4W 1% BACK-C CHIP |
![]() Data Sheet |
![]()
|
|
||||||
![]() |
![]() BCR1000BFMAHWT |
![]() |
![]() RES 10 OHM 1/4W 1% BACK-C CHIP |
![]() Data Sheet |
![]()
|
|
||||||
![]() |
![]() BCR101F |
![]() Other |
![]() |
![]() Data Sheet |
![]() Negotiable |
|
||||||
![]() |
![]() BCR101L3 |
![]() Other |
![]() |
![]() Data Sheet |
![]() Negotiable |
|
||||||
(China (Mainland))








